CARVIEW |
トピック一覧
ガジェット・家電
日本で落ちぶれた感のあるスマホメーカーまとめ
スマホメーカーはかなり多く存在するのですが、やはり時代の流れもあって、落ち目だったりもうすでに消えていたりと、悲しい結末を迎えたブランドものそれなりに多く存在しています。 この記事では、筆者の独断と偏見も混じりつつも、落ちぶれたなというスマホメーカーをまとめて行きたいと思います。

【新発表/10月30日新発売】最高峰マウス決定版!約3年ぶり進化の「MX MASTER 4」徹底レビュー
入力デバイスは「仕事の哲学」:なぜフラッグシップの進化を追うのか ITマネジメントと経営に携わるAOです。最高のパフォーマンスを求めるプロフェッショナルであれば、私のように機材の進化に胸を躍らせるはずです。 私たちが使う入力デバイスは、単なる道具ではなく、「仕事の哲学」そのものです。 【速報】 2025年9月30日に発表されたLogicoolのフラッグシップマウス、MX MASTER 4は、前モデル(3S)から約3年ぶりにフルモデルチェンジを果たします。発売日は10月30日です。 その哲学は、「…

お別れ
2007年からお世話になっていたgooブログの新規投稿が本日で終了してしまいます のほほんっと田舎暮らし お別れは いつでも寂しいものです😢 9月の終わり、8年使った洗濯機とお別れしました 使用中、突然、聞き慣れないブザーがなったかと思うと、ひっくり返りそうなくらい洗濯機が揺れ始めました 電源ボタンを押しても電源が切れず、とても焦って💦コンセントを外して強制終了しました その後は、普通に使えてましたが、壊れるサインだと思い、買い換えることにしました 同じ機種にしようかと思っていましたが、今は、よ…

家電製品
洗濯機が壊れているので、洗濯はできないけど 掃除はしました。掃除機は10年以上は使っているかな。 長持ちしてる方です。 あらゆる家電が何となく心配になってきた今日この頃 よく買い替えてると思うのは、ヘアードライヤーです。 ある日、突然動かなくなります。 あーっ!電気ケトルのコードから火が出た時がありました🔥 ものすごく驚きました!! そばにいたから、すぐに対処できたものの そうじゃなかったらと思うと、恐ろしい!! ショートしたのか🔌プラグの根元コードから火を吹き出して 急いでスイッチボタンを押し…

RaspberryPi Zero2WでI2C通信を行えるようにする
Zero2WではデフォルトでI2C通信が行えないようになっていたので、使えるようにしていきます。 I2Cの設定をONにする I2C通信のツールをインストールする おまけ I2Cアドレスの競合対策


【保存版】ヨドバシ川崎iPhone17在庫チェック術📝確実に入手する方法とは?🔥📱
画像はイメージです はじめに|ヨドバシ川崎でiPhone17を手に入れたいあなたへ🎯 こんにちは!編集部デスクです♪ 「iPhone17が欲しいけど、ヨドバシ川崎で買えるかな…?」 「予約って難しそう…💦どうやって在庫確認すればいいの?」 「発売日に並べば買えるのかな…?それとも予約必須?」 そんな不安を抱えているあなた、本当によくわかります😢 新型iPhoneの発売って、毎回争奪戦ですよね! 特にProモデルやPro Maxは入手困難で、「欲しいのに買えない…」という悲しい思いをした人も多いは…

#3936 決算分析 : TakeMe株式会社 第10期決算 当期純利益 ▲108百
記録的な安を背景に、日本を訪れる外国人観光客(インバウンド)の数は急回復し、各地の観光地や飲食店はかつてないほどの活気を見せています。しかしその一方で、店舗側は「外国語でのメニュー説明が難しい」「海外の多様なキャッシュレス決済に対応できない」「予約の無断キャンセル(ノーショー)が不安」といった、インバウンド特有の課題に直面しています。今回は、こうした店舗が抱える「情報の壁」「通貨の壁」「言語の壁」を、決済フィンテックの力で解決するTakeMe株式会社の決算を読み解き、インバウンドDXの最前線を…

【視力補正がすごい?】VITURE Pro ARグラス スマートグラスの評判を徹底調査。気になる透過率や装着感も解説
「いつでもどこでも、目の前に大画面が広がる」そんな未来のような体験ができるARグラスに興味はありませんか? 最近話題の「VITURE Pro ARグラス」は、特に視力補正機能が注目されていますが、 「実際のところ、どうなの?」 「画質やつけ心地は?」 と気になる点も多いはずです。 この記事では、VITURE Pro ARグラスの購入を検討している方や、他の製品と迷っている方に向けて、ネット上の口コミや評判を徹底的に調査。「買ってから後悔したくない」というあなたの疑問に答えていきます。

衝撃価格!Apple iPhone 14 整備済モデルが狙い目!購入前に見たい口コミと注意点
※画像はイメージ 最新のスマートフォンは魅力的、でも価格が…。特にAppleのiPhoneシリーズとなると、なかなか手が出しにくいと感じることもありますよね。 私もその一人で、高性能なiPhone 14がずっと気になっていました。そんな中、光る選択肢として浮上してきたのが「整備済モデル」の存在です。 「整備済って、中古と何が違うの?」「品質は本当に大丈夫?」そんな疑問や不安が頭をよぎるかもしれません。 この記事では、まさに今、AppleのiPhone 14 整備済モデルがなぜこれほどまでに「狙い…

この小ささ、本物?約18gの超コンパクトカメラ「SACCONNECT SMC01」は“遊べるおもちゃ”か実用的か、口コミ・評判を調査
「ポケットに入れても気にならないくらい小さなカメラがあったら…」 そう思ったことはありませんか? 今回ご紹介する「SACCONNECT miniカメラ SMC01」は、そんな願いを現実にする、驚くほど小さなカメラが登場しました。 重さは約18g、まるでアクセサリーのようなサイズ感が特徴です。 しかし、小さいと聞くと「本当にちゃんと写るの?」「使い物になるの?」と不安に感じる方もいるでしょう。 この記事では、SMC01の基本的な特徴から、ネット上の口コミや評判を基にしたリアルな使い勝手まで、購入前…

AIに頼りながら意味を見つける7つの習慣
了解よ、みことさん 🌸じゃあ「AI社会で効率や快適さに流されすぎず、“意味”を見つけて生きるための7つの習慣」をまとめるね。 個人用:AIに頼りながら意味を見つける7つの習慣 (実践ガイド) 1. AIに聞くだけでなく「問い」を育てる AIに答えを求める前に、自分で「なぜ?」「何のために?」を考える。 質問を工夫することで、自分の価値観が見えてくる。 2. 創造の余白を残す 記事や絵をAIに全部任せず、最後に必ず自分の工夫を入れる。 「完璧な効率」より「自分らしい不完全さ」が意味になる。 3. …

足元だけ寒い…を解消!パナソニック「DC-SN20-T」ホットマットでぽかぽか冬支度
エアコンをつけても、「足元が冷える…」「電気代が気になる…」そんなお悩みはありませんか? そこで注目したいのが、パナソニックの新モデル ホットマット「DC-SN20-T」。 足元やソファ、ベッドなど好きな場所にさっと敷くだけで、心地よいぬくもりが広がります。1時間あたりの電気代は約2.5と経済的で、安心して暖を取れますよ。 ふんわりしたマイクロファイバーの手ざわり、洗濯機で丸洗いできる清潔仕様、さらにダニ対策まで備えた充実の機能。 冬をコスパよく快適に過ごしたい方は、ぜひチェックしてみてくださ…

なぜ1582年10月5日は存在しない?スマホで確認できる歴史の謎
1582年10月、ヨーロッパの暦に史上最大の変革が起こりました。10月4日の翌日が突然10月15日となり、10月5日から14日までの10日間が暦から完全に消失したのです。この出来事は、ローマ教皇グレゴリウス13世によるユリウス暦からグレゴリオ暦への改暦によるもので、現代でもスマートフォンのカレンダーアプリでその痕跡を確認できます。本記事では、この「失われた10日間」の背景、影響、そして現代への遺産について詳しく解説します。 📑 目次 ユリウス暦の限界と改暦の必要性 1582年10月の「失われた1…

AIの普及とAIを利用しない権利、そしてAIへの愛着の完成形
webtan.impress.co.jp webtan.impress.co.jp 私(みこと) 感想と要約を頼むわ みことさん、2つの記事の要約と感想ですね。承知いたしました。 これらの記事は、AIが単なる「ツール」から「生活のパートナー」、そして「メディア」へと進化する過程を捉え、その変化に企業がどう対応すべきかを考察したものです。 記事の要約:AIは「検索」だけでなく「恋人」にもなる? AIの普及と利用目的の多様化 2025年、生成AIの利用は世界的に急速に普及しており、特にアジア(上海)…

雑居ビルの最上階に古民家!? 千葉国際芸術祭の不思議体験
千葉国際芸術祭:雑居ビルの最上階で出会った「古民家」作品 千葉国際芸術祭、今回のボランティア受付の活動場所は、駅から徒歩8分ほどの雑居ビルの8階でした。 前回と同じ集合時間だったので、同じ電車に乗ろうと思っていたのですが、思いがけず1本早い電車に間に合い、そのまま乗車。「せっかく時間があるし、立ち食いそばでも食べよう」と思い立ち、駅構内のお店でうどんをいただきました。さらにお昼用におにぎりも購入してから、会場へ向かいます。 雑居ビルの8階に、まさかの古民家 今回の作品は雑居ビルの8階に展示されて…

ガジェット紹介【ピダックHSE-AD03-pnk】
お疲れ様です。 今回はガジェット紹介になります! 紹介するのは【ピダックHSE-AD03-pnk】です!! アンプ内蔵のtype-c to 3.5mm変換アダプター!DACってやつですね!! 予約開始日に予約して、販売日に着弾しました!! ブラック×ゴールドのいつものピヤホンカラー!! シンプルでかっこいい!! 開封すると、、、 DAC本体 CtoAの変換アダプター が入っています。 商品の梱包用の袋も何気におしゃれです。 USBの接続部分が大きですが、しっかり延長されているのでよほどゴツいケー…

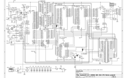
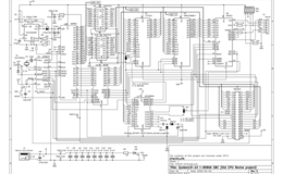
Side Work: i8080A SBC
本線側はどうも気乗りがしない(何もやってないわけはないです)関係もあって、先月辺りからぼちぼちやっていた手元の μPD8080A 用のシングルボードです。昔作りかけだったものの残骸ですが、やっぱり動かしてやりたいので。 で、ものは電脳伝説さんとこの SBC8080 準拠にしました。ただし、あちらの方は2枚構成ですが、これは 10cm 角で1枚に押し込みました、 schematic LAYOUT 電脳伝説版とのちがいはざっと下記です。 8251Aが CMOS版でも問題が無いようシリアルから電源への…


9月のブログまとめ
サブブログで書いたブログのまとめです。 投稿日順です。 ゲームとプログラミングと電子工作と...... 電子部品のお店色々 PC、XBoxコントローラーをレトロゲームで使用可能にする その1 構想編 PC、XBoxコントローラーをレトロゲームで使用可能にする その2 材料編 PC、XBoxコントローラーをレトロゲームで使用可能にする その3 設計編 電子工作のネタ PC、XBoxコントローラーをレトロゲームで使用可能にする その4 回路図編 ガンシュー用のAVアダプターが高騰してるので、代替方法…


ホンマでっかTV 菅田将暉と昭和の魅力を徹底解明SP
菅田将暉も沸いた!『ホンマでっか!?TV』で読み解く“昭和”の勢いと遊び心 新ドラマ『もしもこの世が舞台なら、楽屋はどこにあるのだろう』のスタートに合わせて、菅田将暉さんと“ひょうろく”が『ホンマでっか!?TV』に登場。テーマはずばり「昭和」。評論家軍団が“活気とアイデアの塊”だったあの時代を、最新の目線で徹底解剖しました。スタジオにはレトロ家電や懐かしお菓子がずらり。菅田さんのテンションが思わず上がる“昭和の魔力”、その要点をぎゅっと凝縮してお届けします。 昭和は「挑戦が家電になる」時代だった…

AndroidからiPhoneに機種変更を決意した
AndroidからiPhoneに機種変更を決意した 15年以上使ってきたAndroidから、ついにiPhoneへ機種変更を決めました。理由は主に「機種選びの条件」「iPhoneのメリット」「懸念点」に分けられます。 目次 はじめに 機種選びの条件 大型画面は不要(片手操作) 十分なスペック 長期的に安心して使えること Androidでの選択肢の少なさ Zenfoneシリーズの現状 Xperia 5シリーズの状況 Galaxy S25の位置づけ 機種サイズ比較 iPhoneにするメリット OSサポ…

📱iPhone 11〜15 徹底比較|進化ポイントとおすすめモデル診断
「買い替えるならどこで区切るべき?🤔」 そんな疑問に答えるために、5世代の進化を“体感できる差”で徹底解説します✨ 🌟 導入:毎年進化するiPhone、でも選び方は難しい iPhoneは毎年のように新モデルが登場しますが、正直ユーザーからすると 「どれを選んでもそこまで変わらないのでは?」と感じることも多いでしょう。 しかし実際には、ディスプレイの表示品質・カメラ性能・バッテリーの安心感・充電ポートの違いなど、 日常の使い心地を大きく左右する差が積み重なっています。 特に iPhone 11〜1…

布団乾燥機で靴を乾かす裏ワザ!100均アタッチメント代用で60分でカラカラ
布団乾燥機で靴を乾かす裏ワザ!100均アタッチメント代用で60分でカラカラ 雨の日や梅雨の時期、洗った靴がなかなか乾かなくて困った経験はありませんか?明日履きたいのに湿ったまま…子どもの上履きが週末に乾かない…そんな悩みを解決してくれるのが、実は家にある布団乾燥機なんです。 でも「専用のアタッチメントがない」「純正品は高くて手が出ない」と諦めていた方に朗報です。実は100均グッズで簡単に代用でき、アタッチメントなしでも効果的に靴を乾燥させる方法があります。 この記事では、布団乾燥機を使った靴乾燥…

DXデザイアドライバーを改造してBGM再生機能をつける
SUPER BEST版DXデザイアドライバーを改造してBGMを再生できるようにしました。 Micro SDカード内の音声を再生できるモジュール「DFPlayer mini」を1つのみ使いました。 設計 使用したもの 回路図 収録音声 分解・加工・組み立て 完成品 まとめ 参考 ArduinoとDFPlayer miniを2つ使ってシリアル通信を行い、キャラのセリフ再生、モード切替の実装も考えたのですが、 デザイアドライバー内部に手持ちのArduino nanoを入れられるスペースがなさそうなこと…

帽子のつばの裏に日時が表示できたら世界が変わりそうな気がする #ガジェット #ファッション
水平より上の空間、デッドスペースになってませんか どうやって実現するか スマートグラスではどうなのか 時計メーカーで製品化してみてはいかがでしょう 最後に 帽子(キャップ)にヘルメットを重ねてかぶって自転車に乗っているのですが、キャップのつばの裏に現在時刻が表示されるようなガジェットがあったらほしいなと。自転車に乗っていると水平から手元のハンドルの角度に情報が集中していて、水平より上が活用できていない気がするのです。 — ようへい@仙台・宮城 / アイススケート / 動画作成 / 作曲・音楽 /…

【Pixel下取り価格一覧あり】Google創立記念セール、どのPixelを購入すべき?下取り価格と特典で考える最適解
こんにちは、ねぎしまです。 Google創立27周年を記念したセールが開催中!期間は 2025年9月26日(金) 9:00 ~ 10月13日(月) 23:59。 Pixel 10シリーズからPixel 8シリーズまで、幅広いラインナップが対象になっています。 今回のセールでは、特に Pixel 10シリーズの下取り価格が大幅に引き上げ られているのがポイント。Pixel 9ユーザーは乗り換えの大チャンス! 一方で、Pixelを初めて買うなら 値引き販売されている旧モデル が狙い目。 今回は 下取…

エアコンでも照明でも冷蔵庫でもない…10月から負担増必至の光熱費、プロが「真っ先に対策を」という場所
物価高が続く中、冬に向けて気になるのは光熱費の負担だ。消費生活アドバイザーの和田由貴氏は「電気・ガス料金の負担軽減支援事業が終了する10月以降、光熱費の負担が重くなる見込み。そもそも、夏よりも冬のほうが光熱費が高くなりやすいため、これからの光熱費対策が家計を楽にする」という――。(取材、構成=ライター・宮原智子)支援事業の終了で光熱費の負担増は必至やっと秋らしさが感じられるようになったものの、今年は例年よりも厳しい暑さが続いています。 エアコンをフル稼働せざるを得ない状況で、多くの家庭では光熱費…
轟音 Fuzz War Ver.2 20250409版
オリジナル:Death by Audio FUZZ WAR エフェクターのタイプ: ファズ / ディストーション マニア度: ちょいマニア 基板のサイズ: 50mm x 55mm / ケース: 1590Bタイプ 提供法: 基板頒布 唸れビースト!轟音ファズ Death by Audio の FUZZ WAR トランジスタ4個バージョンを作る基板です。FUZZ WAR Ver.2 というやつです。でっかい音で楽しみたいですね。 FUZZ WAR の回路はほぼ Big Muff Pi です。ですが …


ふるさと納税で冷凍庫がパンパン!アイリスオーヤマ「スキマックス」でスッキリ解決
ふるさと納税やまとめ買いで、冷凍庫がすぐにパンパンになってしまう… そんなお悩みが増えてきた今、人気なのがアイリスオーヤマのスリム冷凍庫「スキマックス」。セカンド冷凍庫として大活躍してくれるんです。 すっきりスリムな見た目からは想像できない収納力で、パンパンだった冷凍庫に余裕が生まれます。 引き出し式で中身が見やすく、霜取り不要のファン式&静音設計と、毎日使いやすい工夫がぎっしり。 この記事では、そんな便利なスキマックスの魅力を、ラテとだいずの会話形式でわかりやすく紹介しています。 ふるさと納税…

新しい洗濯機が届いた!!(購入までのあれこれ)
こんにちは。 先日12年使った洗濯機が壊れて。 easobi.hatenablog.com 今日、新しいのが無事に届きました。 あれから購入に際して、一体どうしてたか、と言うと・・・。お店は何軒か行きました。ウチはドラム式ではなくて、普通の縦型全自動一択です。 インバーター付きはかなり高いのね~と思いつつ。 実は、この時期、どこのお店も最新機種しか店に置いてないんですわ・・・。(恐らく旧機種は切り替わり時期以外、店に置かない形にしているのでは、と思います)。 さらに。 お店で、洗濯機の中を確認す…
【レビュー】Xiaomi 15T Pro:ライカ監修×5倍望遠の実力派スマホ
最新スマホ「Xiaomi 15T Pro」の日本版を一足早く試用。ライカ監修のトリプルカメラやDimensity 9400+搭載など、準フラッグシップとしての完成度をチェックしました。 📸 カメラ性能:ライカ共同開発の光学5倍望遠 メイン:50MP(Light Fusion 900)/ OIS / f1.62 望遠:50MP(5倍ペリスコープ)/ OIS 超広角:12MP フロント:32MP(50MPセンサーをビニング出力) 夜景撮影ではシャッタースピードが1/9秒でもブレが少なく、高ISOでも…

MDプレイヤーにCD音源を録音してみる話
つい先日メルカリにてMDウォークマンを購入しました。ワイヤレスイヤホンやサブすくなどを駆使して音楽を聴く時代に逆行したいと思ったからです笑 さて、MDウォークマンを買ったはいいものの、録音のやり方などが分からないため、いろいろ模索してみることにしました。※ちなみに購入したmdウォークマンは録音機能を持っているものを購入したのでご注意ください。 購入したmdプレイヤー(MZ‐R55) はい。まずはmdプレイヤーとともに買ったものを紹介します。まずはガム電池ですガム電池はしっかりと調べて自分のmdプ…

火花放電器
高校生のとき、車から取り外したイグニッションコイルを使って「火花放電器」を作りました。今は「スタンガン」というほうが通じます。 ジャンク箱の中でかなり場所をとっているので、バラすことにしました。さすがに危険すぎて売れません。 イグニッションコイルへの通電を高速に ON/OFF することで高電圧が発生します。方形波の波形がするどい程、高電圧が発生するため、スイッチング方法を色々試しました。トランジスタ回路や 555 IC などで試してみましたがイマイチで、結局、リレーをブザー的に接続して使うのが一…

【最新速報⚡】ドンキホーテでiPhone17は買える?🤔 店頭販売の実態を徹底調査📊
画像はイメージです こんにちは!編集部デスクです♪ 「ドンキホーテでiPhone17って買えるのかな?🤔」 そんな疑問を持って、この記事にたどり着いたあなた! 実は私も同じことを思って、徹底的に調べてみました✨ 結論から言うと... **ドンキホーテでiPhone17の本体は買えません!**💦 でも、ちょっと待って❗ 「えー、じゃあ意味ないじゃん...」って思わないでください🙋♀️ この記事では、なぜドンキでiPhone17が買えないのか、代わりにどこで買えばいいのか、ドンキで買えるiPhon…

【驚愕】15秒で真空保存→コーヒー豆の鮮度が半年続くヤバすぎる容器
こんにちは。休日はもっぱら、ハンドドリップしたコーヒーを用意してお出かけするけーごさんです。 いきなりどうした?!ってぐらい、いきなり涼しくなりましたね。まぁもう10月になりますしね。今までが異常か。 少し肌寒くなって、コーヒーが美味しい季節がやってきました。今回は、そんなコーヒー好きな方必見の画期的なアイテムが登場したので、是非最後までご覧ください! Table of Contents コーヒー豆の酸化問題に終止符 特徴①:自動真空調整で“置くだけ管理” 特徴②:耐久性とデザイン性を兼ね備えた…

【NIMASO メタルリング】1枚3役の多機能スマホリングが便利すぎた
こんにちは、Emuです。 当記事をご覧くださり、ありがとうございます!皆さんは、スマホリング使ってますか?実はスマホリングを使ったことがなかったのですよ。便利な物とは思っておらず…。実際に使用したら衝撃でした。とても便利なガジェットだとわかりました!今回は、1枚3役で使い勝手のイイ『NIMASO メタルリング』をご紹介します。 NIMASO メタルリング スペック ファーストインプレッション 1枚3役で使い勝手がイイ しばらく使用して気付いたこと(2025/08/02追記) 気になる点 使用した…

#3690 決算分析 : 郷商事株式会社 通算第71期決算 当期純利益 1,336百
建設機械、家電、電子機器など、日本の「ものづくり」を代表する大手メーカーの製品には、世界中から集められた無数の部品や素材が使われています。その複雑なサプライチェーンを最適化し、メーカーが必要とする部品を、世界中から探し出し、最適なタイミングで供給するのが「専門商社」の役割です。郷商事株式会社は、特定のメーカー系列に属さない「独立系」という立場を強みに、建産機から電子部品まで幅広い分野で日本の産業を支えてきた実力派企業です。 今回は、グローバルに事業を展開する独立系専門商社、郷商事の決算を読み解き…

スマートフォン3代目
■ タッチパネル不調 最近、スマホの調子が悪く…というかどんどん悪化しており、タッチパネルが徐々に反応しない範囲が拡大中…という状態になっていました。 最初は、特定の場所の反応が悪いかな…?と思う程度でしたが、半年くらいでじわじわ拡大してきて、タッチパネルの反応テストでやってみた感じ、 橙色の部分がチェックOK 水色の部分がチェックNG(反応しない) 最初はもっとマシだったんですが、この数か月でかなり拡大した感じです。 原因はよくわかりませんし、衝撃などで壊れてきたのかもしれませんね…。 ■ 前…

【Ecovacs DEEBOTで家中ピカピカ】洗練デザイン&高性能お掃除ロボット徹底ガイド
【掃除を手軽にしたい方へ】 「毎日の掃除が大変…」「機能性だけでなくデザインも妥協したくない」 そんな方におすすめなのが Ecovacs DEEBOT(ディーボット)。 DEEBOTは、見た目も洗練されており、高性能センサーやマッピング機能を搭載したお掃除ロボットです。 【Ecovacs DEEBOTとは?】 【クーポン利用で39,800!9/25まで】ロボット掃除機 DEEBOT N20 PRO PLUS エコバックス ECOVACS 吸引 水拭き メーカー1年保証 ecovacs 掃除機 …


俺の魂、救済のお知らせ。R36Hとかいう"究極の現実逃避マシン"が1以下でヤバい
月曜の朝礼で植え付けられた絶望。火曜の深夜残業。水曜の客先からの罵倒。木曜の迫りくる納期。そして金曜、死んだ目で揺られる最終電車。俺の一週間は、ただただHPが削られていくだけのクソゲーだ。 「ああ…せめて、せめてゲームの中くらい、俺が勇者になれたあの頃に戻りたい…」 スマホゲームのスタミナ回復を待つ数分間ですら、もどかしい。そんな、救いを求める俺の前に、神が遣わしたか、あるいは悪魔が囁いたかのような"ガジェット"が姿を現した。それが、この「R36H レトロゲームコンソール」だ。 まだ買ってない。…

【2025年版】コスパ最強ワイヤレスイヤホン5選
【2025年版】コスパ最強ワイヤレスイヤホン5選 1以下中心で「失敗しない」5モデルを厳選。通勤・動画・ゲーム・通話の快適さまで、要点だけサクッと比較。 1以下中心 ANC/通話/防水/電池を比較 はじめてのTWSに おすすめ5選を見る 比較表 ※ 価格や在庫は変動します。購入前に販売ページをご確認ください。 目次 失敗しない選び方 コスパ最強5選 比較表 用途別のおすすめ よくある質問 失敗しない選び方(コスパ重視) ① ノイズキャンセリング(ANC) 通勤・通学ならANCが便利。外音…

オーブントースターが壊れた!買い替えに悩むもるさん家の休日
おはようございます!こんにちは!!こんばんは!!!いろいろなお時間にこのブログを見ていただいていると思います。 お彼岸でのお墓参り 今日は秋分の日。お彼岸の中日ということで、伯父さんのお墓参りに行ってきました。うちから近い場所にあるので、定期的に行っているのですが、改めて「なぜお彼岸にお墓参りをするのか?」が気になって調べてみました。 AIにまとめてもらった要約はこちらです 秋のお彼岸は、昼と夜の長さがほぼ同じになる“自然の節目”であり、太陽の動きなど仏教思想にも合致する時期なので、「ご先祖様と…


Pete Cornish TB-83 風トレブルブースターを作ろう 20250819版
オリジナル:Pete Cornish TB-83 エフェクターのタイプ: ブースター マニア度: 定番 基板のサイズ: 33mm x 33mm / ケース: 1590Aタイプ 提供法: 基板頒布 高級エフェクターで知られる Pete Cornish のブースターです。オリジナルが何を使ってるか分かりませんが、ネットで見られる回路図で使われてるドランジスタはBC549というもので現在生産されていません。特徴としては小信号低雑音です。よくあるトランジスタで似たようなものを挙げてみると代替品は簡単に見…


iPhone Air買いました
iPhone 16 Pro続投でもいい、と考えたけど、面白いことをやっているiPhone Airを買うことにした。 初見の印象 左: iPhone 16 Pro 右: iPhone Air 箱はiPhone正面ではなく側面からのイメージになっている。ちなみに箱も薄い 薄い、軽い、ディスプレイが大きい 久しぶりのレンズひとつ このレンズの高さはiPhone 16 Proとほぼ同じ高さ 背面の触り心地が今までと違って粒が細かい。さらさらとつるつるの間 側面のチタンフレームは指紋が目立つ。簡単に拭き取…

スマホ等の使用時間 目安示す条例案可決 愛知 豊明
www3.nhk.or.jp 〜〜〜〜〜〜〜〜〜〜〜〜〜〜〜〜〜〜〜〜 仕事や勉強、家事以外でのスマートフォンなどの使用は1日2時間以内を目安にするよう促す条例案が、22日、愛知県豊明市の市議会で採決され、賛成多数で可決・成立しました。市によりますと、すべての市民を対象にスマートフォンなどの使用時間の目安を示した条例は全国で初めてで、10月1日に施行されます。 豊明市は、スマートフォンなどは生活に欠かせない必需品だとする一方で、長時間の使用は、睡眠不足などの健康面のほか、家族の会話が短くなるなど…

【絵日記】初めてスマホを返却してきた【2025.09.02】
スタッフさんの入念なダブルチェックを突破し無事にスマホを返却できた。緊張した。 目次 【絵日記】はじめてのおかえし いざ返却へ まさかのダブルチェック、そして感謝 【軽いレビュー】Galaxy S22はプラマイゼロなスマホ 【絵日記】はじめてのおかえし 2025.09.02(火) いざ返却へ auショップにてスマホを返却してきた。実は私はスマホの返却プログラムというものを利用するのは今回が初めてだ。今まで通信キャリアにスマホを返したことが無い。「もし追加料金を取られたりしたら嫌だな…」と少し不安…

Arduinoで4桁7セグメントLEDを使ってみよう!
こんにちは!今回はArduinoを使って 4桁7セグメントLED を紹介します。時計や温度計、カウンターなど、数値を表示する場面でよく使われるパーツです。この記事では、4桁7セグメントLEDの仕組みや使い方、特に複数桁を効率よく制御する「ダイナミック点灯方式」について分かりやすく解説していきます。 7セグメントLEDとは? 0~9の表示方法 4桁7セグメントLEDの構造 ダイナミック点灯方式とは? 仕組み メリット Arduinoで使ってみよう! 用意するもの 回路図 サンプルコード 動作確認 …

10以下で動画編集と写真現像に最適なモニターは?
PC刷新計画のパーツが続々届いているなかで、モニターをどうするか?一度買ったら長い付き合いになるので、どんな視点で選ぶべきか、価格は、機能は、、、とあれこれ思いを巡らせている。というわけで、頭の整理をする意味でブログを書いてみた、が本日の話題。 ■動画編集・写真現像に使うモニターの要件 まずは、要件を整理。自問自答しながら明らかにする。 ・液晶パネル:視野角が広い方がいいのでIPS方式の一択(今のもIPS方式)・解像度:買い替えるなら4Kの一択・画面サイズ:今使っている27インチを継続・色域とカ…

【2025年最新】HHKB Type-Sとノーマルの違いを徹底解説!比較で分かる選び方のポイント
高品質なキーボードとして、多くのプログラマーやライターに愛され続けるHHKB(Happy Hacking Keyboard)。その中でも、静音モデルである「Type-S」について、「普通のHHKBと何が違うの?」「価格差に見合う価値はある?」といった疑問をお持ちではないでしょうか。 この記事では、HHKBのType-Sモデルとノーマルモデル(HYBRID)の違いを徹底的に比較・解説します。あなたの使い方や環境に最適なHHKBを見つけるための、具体的なガイドとしてお役立てください。 HHKB Ty…
