CARVIEW |
IoT

Ensuring Data Integrity in Smart Meters through Embedded File Systems
Umair Ejaz
October 10, 2025
Smart meters are no longer passive electricity counters. They have become intelligent edge computing devices embedded deep within modern energy infrastructure. Operating at the grid edge, they capture, store, and process detailed usage data in near real time, feeding it upstream to cloud systems for billing, analytics, and regulatory reporting. In some cases, they also perform preliminary analytics locally, enabling demand response, dynamic pricing, and fault detection without relying on centralized systems.
Open Source

How to Enable Secure Boot on Linux-Based Platforms
Zakaria Zidouh
October 10, 2025
Secure boot is a fundamental security mechanism designed to protect devices from executing unauthorized or malicious code at startup. The problem it solves is simple but crucial: without validation, a device could load altered firmware or malware at startup, potentially compromising the entire system.
In this first article of our secure boot series, Zakaria, an engineer at The Embedded Kit, discusses the concepts and mechanisms associated with the secure boot process.
AI & Machine Learning

Protection and Telemetry in AI with 800 V Hot Swap
Donal McCarthy
October 9, 2025
This article addresses the growing power demands of AI server environments, driven by the increasing power consumption of GPUs. It highlights the shift from 48 V to 800 V power delivery architectures. This article explores Analog Devices’ continued innovation in high voltage hot swap protection as data center infrastructure evolves.
Debug & Test

The Road to embedded world North America: PLS Showcases UDE Universal Debug Engine for Multicore Debugging
Chad Cox
October 9, 2025
embedded world North America will host the professionals in debugging, tracing, and testing at the PLS Development Tools Booth (number 2043) where it will be highlighting its UDE Universal Debug Engine. The UDE is an easy-to-use tool for software debugging, tracing, and testing for multicore microcontrollers and embedded processors from Infineon, NXP, STMicroelectronics, Renesas, Texas Instruments, Synopsys, and more.
AI & Machine Learning

How AI is Changing the Way We Do Business
Max Chan
October 9, 2025
We’re experiencing a rapid shift toward IT applications that include AI. This represents the first stage of unprecedented transformation in the way corporations of all sizes do business.
IoT

Overcome Connectivity Challenges for Edge AI
ATTEND Staff
October 8, 2025
The most exciting AI applications are all at the Edge these days. In industrial automation, autonomous vehicles, and remote asset monitoring, Edge AI is where the innovation and execution are most rapidly advancing.
Security

Why Secure Provisioning Is Critical for Embedded Systems
Zac Amos
October 7, 2025
Embedded devices require robust and scalable methods for receiving firmware, cryptographic credentials and configuration data before deployment. This process must be tamper-resistant and resilient against insider and external threats. The article defines secure provisioning, explores how it works, and explains why it is critical to embedded systems' reliability, security and longevity, especially in applications where device identity and integrity are foundational.
Analog & Power

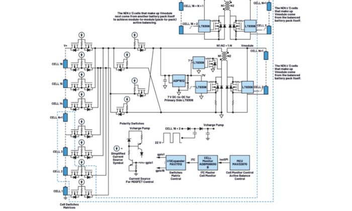
Part 2: Discovering an Efficient Active Balancing Solution for BMS Design
Frank Zhang
October 6, 2025
Simplicity and efficiency are not always a difficult trade-off; excellent and successful designs often combine both. This article introduces several traditional active balancing solutions for battery management systems (BMS) and discusses how to leverage the strengths of these popular approaches to develop a more practical solution that better achieves simplicity and efficiency in design. Finally, it explains why pack-to-pack balancing is just as important as cell-to-cell balancing.
Networking & 5G

Mouser Product of the Week: NXP Semiconductors’ IW610 IoT Optimized Wi-Fi 6 Tri-Radio Modules
Tiera Oliver
October 6, 2025
IoT, industrial, and smart devices, such as smart doorbells and locks, smart thermostats and lighting, and Point of Sale (POS) terminals demand consistent and reliable wireless connectivity. These advanced technologies not only rely on seamless Wi-Fi, but they often require Bluetooth connectivity and 802.15.4 radios to connect devices to the cloud and to each other.
AI & Machine Learning

How Contextual AI Drives Innovation in Edge Intelligence Applications
Eleanor Hecks
September 30, 2025
Due to its increasing availability, artificial intelligence has encouraged some decision-makers to combine it with existing technologies. Contextual AI for edge intelligence devices represents a compelling example. It can interpret and react to information by analyzing relevant aspects such as historical details and environmental parameters to provide more accurate, faster responses.
Debug & Test

Embedded Computers Ease Semiconductor Test Challenges
ASUS IoT Staff
September 26, 2025
ASUS IoT’s Scalable Motherboard Solution Forms Heart of Semiconductor Test Platform
AI & Machine Learning

ACROSSER Accelerates AI Processing for Resilient Power
Ken Briodagh
September 25, 2025
ACROSSER, a company that offers a range of embedded computing platforms, network security appliances, autonomous driving controllers, and in-vehicle computers, has been focusing on AI processing power and leveraging those tools to improve operations for customers.
AI & Machine Learning

ACROSSER Leads with AI for Computer Vision
Ken Briodagh
September 25, 2025
Headquartered in Taipei, Taiwan, ACROSSER offers a portfolio that includes in-vehicle systems, edge AI platforms, network security appliances, and IoT gateways. Designed for system integrators, manufacturers, and technology partners, the company says its solutions focus on accelerating time-to-market and enabling smarter applications across transportation, manufacturing and automation.
IoT

ARBOR ART10-ECA Tablet Combines Rugged Design and AI-Ready Power for Smart Cities and IoT Applications
Chad Cox
October 10, 2025
ARBOR Technology released its rugged ART10-ECA, a 10.1-inch industrial tablet PC powered by the Intel Twin Lake N150 processor and running Windows 11 IoT Enterprise 24H2 ideal for smart infrastructure and AI-integrated workflows.
AI & Machine Learning

MosChip Technologies Debuts AgenticSky: Empowering OEMs to Build Trusted, Adaptive AI-Led Products
Chad Cox
October 10, 2025
MosChip Technologies announced MosChip AgenticSky, a suite of Agentic AI solutions developed to aid engineering teams with the next generation of adaptive, AI-led products across machines, devices, and edge platforms. AgenticSky is promoted as able to cut development cycles by up to 40% while embedding autonomy, adaptability, and trusted intelligence into components.
Software & OS
Peridio’s Avocado OS Demo Highlights Seamless Edge AI Migration Across Qualcomm and Nvidia Hardware
Chad Cox
September 30, 2025
TI AM62P Automotive SoC Now Supported by Candera’s CGI Studio HMI Software
Chad Cox
September 5, 2025
Multimedia

DevTalk with Rich and Vin: Hidetoshi Shibata, CEO, Renesas
October 9, 2025
Every once in a while, we hit a home run when it comes to bringing guests onto the DevTalk podcast, and today we did just that.
We managed to wrangle in Hidetoshi Shibata, who has been in his current CEO role at Renesas for about six years. Toshi was very forthcoming with us, as we went through his fairly colorful past, and more importantly, the decisions he has had to make as the CEO of one of the most powerful companies in our space.
Trending Articles
-
Ensuring Data Integrity in Smart Meters through Embedded File Systems
October 10, 2025
-
ARBOR ART10-ECA Tablet Combines Rugged Design and AI-Ready Power for Smart Cities and IoT Applications
October 10, 2025
-
How to Enable Secure Boot on Linux-Based Platforms
October 10, 2025
-
DevTalk with Rich and Vin: Hidetoshi Shibata, CEO, Renesas
October 09, 2025
-
Infineon Expands IoT Portfolio with AIROC CYW5591x Connected MCU Featuring Tri-Band Wi-Fi 6E
October 06, 2025
Consumer
-
Arm Delivers Personal AI on Consumer Devices with New Lumex CSS Platform
September 10, 2025
-
TDK Announces High-Performance IMU to Accelerate Optical Image Stabilization Adoption
August 08, 2025
-
Application Highlight: Infineon Makes HMI the Main Event
August 04, 2025
-
Status Audio and Knowles Redefine Earbud Performance with Hybrid Driver Technology
July 15, 2025
Debug & Test
-
Embedded Computers Ease Semiconductor Test Challenges
September 26, 2025
-
QA Systems Enhances Cantata for C/C++ with EN 50716:2023 Railway Safety Compliance
September 23, 2025
-
Are Random Numbers in LTspice Truly Random?
September 04, 2025
-
Timing is Everything: The Future of Precision Timing with SiTime
August 07, 2025
Healthcare
-
Hospitals Adopt Wincomm WMP-22P for EEG-Video Synchronized Monitoring
August 22, 2025
-
Wincomm Medical Cart PC Technology Aids in Patient Care
August 12, 2025
-
The ASUS IoT PE3000G: The Backbone For Controlling Surgical Robots and Navigation Systems in Smart Healthcare
July 15, 2025
-
Wincomm Solution Drives Healthcare Technology Forward
June 23, 2025
Networking & 5G
-
Morse Micro Announces Mass Production of MM8108 Wi-Fi HaLow SoC, Modules, Evaluation Kit, and HaLowLink 2
September 23, 2025
-
Application Highlight: Electronic Shelf Labels Leverage Bluetooth for Success
September 22, 2025
-
Antenova Launches Opaca SR4L104 Antenna for T-Mobile Band 71 and Global 5G Networks
September 05, 2025
-
Embedded Executive: Proper Antenna Design Can Make or Break Your Product | Taoglas
August 06, 2025
Open Source
-
Google, AWS, and NASA to Keynote RISC-V Summit North America 2025
September 24, 2025
-
Over-the-Air Update Strategies for Raspberry Pi-Based Embedded Systems
September 22, 2025
-
Mouser Product of the Week: AMD / Xilinx Kria KV260 Vision AI Starter Kit
September 08, 2025
-
Aetina Debuts Development Kits Featuring NVIDIA Jetson T5000TM with 128GB LPDDR5X Memory
August 26, 2025
Processing
-
Infineon Expands IoT Portfolio with AIROC CYW5591x Connected MCU Featuring Tri-Band Wi-Fi 6E
October 06, 2025
-
Altera’s Agilex FPGA Portfolio Now in Full Production with Major Performance Upgrades
October 01, 2025
-
Sundance and Red Pitaya Join Forces to Accelerate Industrial Test Equipment
September 30, 2025
-
The Semi-Custom Sweet Spot: Proven Solutions Without Starting from Scratch
September 23, 2025
Security
-
Radiflow Expands Industrial Cybersecurity with Launch of AI-Boosted Radiflow360 Platform
October 07, 2025
-
Codasip Secures TÜV SÜD Functional Safety Approval for L735 (ASIL-B) and L739 (ASIL-D)
October 02, 2025
-
Embedded Executive: The Same Level of Security Is Needed Whether You Have One Device or Millions | Infineon and CommScope
October 01, 2025
-
Designing for Harsh Environments & Quantum Cryptography
September 18, 2025
HPC/Datacenters
-
New Akasa Closed-Loop and Open-Loop Liquid Coolers Support Intel Xeon and AMD EPYC
September 09, 2025
-
Embedded Executive: Minimize Power in Today’s Data Centers | Point2 Technology
August 20, 2025
-
Embedded Executive: AI Is an Energy Hog That We Have To Deal With | Empower Semiconductor
May 28, 2025
-
New Eagle Launches Edge AI Raptor HPC Platform with John Deere VPU
April 28, 2025